教育卷
第一章 旧式教育
第二章 幼儿教育
第三章 小学教育
第四章 中学教育
第五章 中等专业职业技术教育
第六章 高等教育
第七章 成人教育
第八章 特殊教育
第九章 教师、教研
第十章 教育行政
内容阅读
当前位置:
首页
>
史志书廊
>
岳阳方志
>
岳阳市志
>
第十册
>
教育卷
>
第十章 教育行政
> 正文
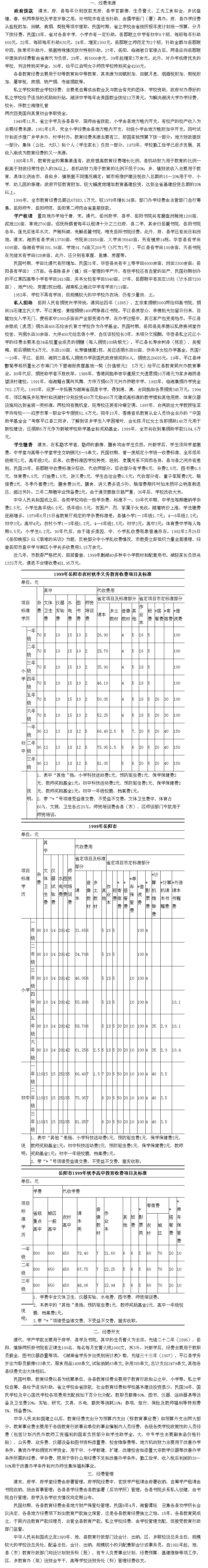
第五节经费
来源:未知来源
日期:
2015-04-10 12:00